
一种有源电力滤波器的神经网络逆控制器构造方法
价格:面议
专利类型:发明专利

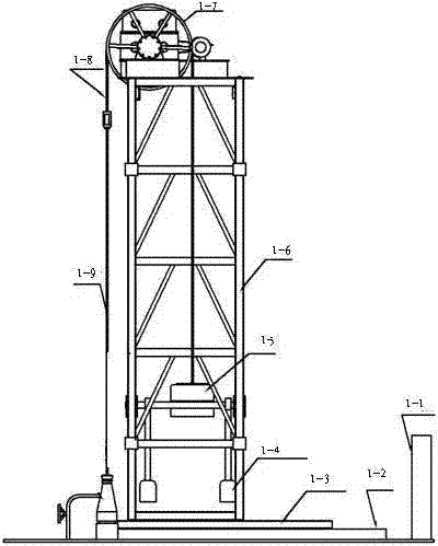
立式机械换向抽油机
价格:面议
专利类型:发明专利

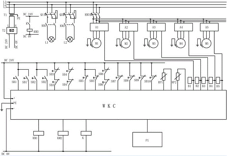
双针床经编机电气控制柜功能测试装置
价格:面议
专利类型:发明专利

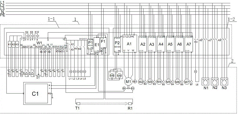
花边机电气控制柜功能测试装置
价格:面议
专利类型:发明专利

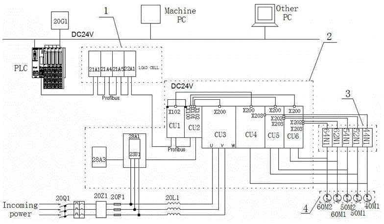
钢琴电柜功能测试装置
价格:面议
专利类型:--

机制砂细度模数调整装置
价格:面议
专利类型:实用新型
战略咨询
高质量专利培育
专利导航
FTO报告
知识产权估值
IP托管
江苏集萃中以科技产业发展有限公司
0519-86362669
常州尚易信息科技有限公司
0519-68212970